Understanding Calcium Hydroxide Calcium hydroxide (Ca(OH)₂), widely recognized as hydrated lime or slaked lime, is a white, odorless alkaline powder produced through the precise hydration of calcium oxide (quicklime). With a molecular weight of 74.09 g/mol [...]
As a leading industrial cotton manufacturer and supplier, we deliver premium-quality cleaned cotton fiber engineered for demanding industrial environments. Our industrial cotton undergoes advanced multi-stage cleaning and processing to remove impurities such as dust, [...]
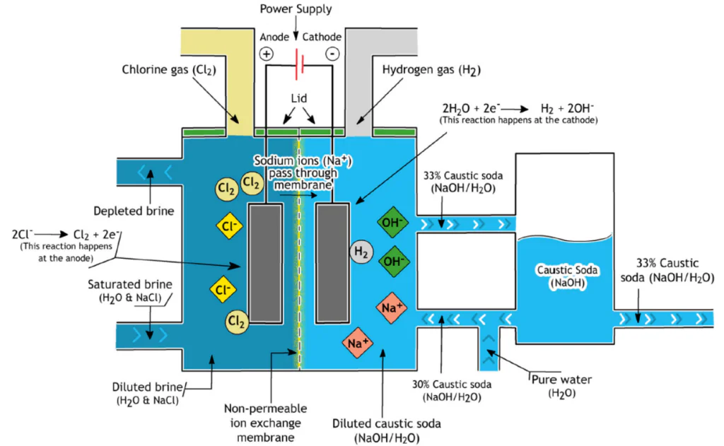
Introduction Caustic soda, chemically known as sodium hydroxide (NaOH), is one of the most widely used industrial chemicals in the world. From water treatment and soap manufacturing to food processing and petroleum refining, its [...]
In the transition to low‑carbon energy, caustic soda biodiesel production is a cornerstone technology for converting lipids into standardized, renewable diesel fuel. Sodium hydroxide (NaOH) serves as a homogeneous base catalyst in transesterification, the reaction where [...]
Caustic soda in mining is a foundational reagent that supports everything from ore digestion and metal recovery to water treatment and tailings management. Sodium hydroxide (NaOH), it is one of the most widely [...]
Caustic soda (sodium hydroxide, NaOH) is a core reagent across modern metal industries, from alumina refining and base‑metal hydrometallurgy to surface finishing, wastewater treatment, and battery recycling. This technical guide explains how to [...]
As the leading Caustic Soda Supplier in Montenegro, we deliver EU REACH–compliant Sodium Hydroxide (NaOH) in flakes, pearls, and liquid solutions to industrial and municipal buyers across the country. With optimized logistics through the Port of Bar [...]
Sodium Hydroxide in Cosmetics: Overview Sodium hydroxide—also called caustic soda or lye—might sound intimidating, but this simple compound drives innovation across modern beauty products. From balancing the pH of your favorite serum to [...]
Base Oil SN 350 Overview Base Oil SN 350 is a versatile light-to-medium grade lubricant base stock classified as Group I or Group II mineral oil. The "SN" designation stands for Solvent Neutral, [...]
Description of Caustic Soda in Food Production In the complex world of food manufacturing, caustic soda in food production acts as an essential, often unseen, processing aid. Known scientifically as Caustic Soda or sodium [...]

